El Lifan KP230 está diseñado para su uso en la construcción y el comercio, ya que ofrece un rendimiento constante incluso en condiciones difíciles. Puede funcionar durante cientos de horas sin interrupción, a altas o bajas temperaturas, golpes, vibraciones y en entornos arenosos o polvorientos.
El motor monocilíndrico de 4 tiempos OHV está equipado con un arrancador, carburador, escape, tanque y filtro de aire.
Monocilíndrico
Arrancador manual
4 tiempos, refrigerado por aire, OHV25°
Motor de gasolina LIFAN KP230 de 6,5 hp
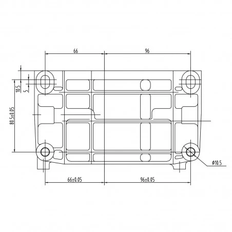
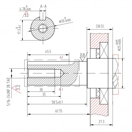
Cigüeñal de 20 mm



















Valoraciones
No hay valoraciones aún.